
D371蜗轮对夹式软密封蝶阀适用于温度≤120℃,公称压力≤16MPa的食品、医药、化工、石油、电力、;台金、城建、轻纺、造纸等给排水、气体管道上作调节流量和截流介质的作用。
· 设计新颖、合理,结构独特,重量轻,启闭迅速。
· 操力矩小,操作方便,省力灵巧。
· 可以任何位置安装、维修方便。
· 密封件可以更换,密封性能可靠达到双向密封零泄漏。
· 密封材料耐老化、耐腐蚀,使用寿命长等特点。
设计标准:GB/T12238-1989,lS0 10631-1994或BS EN593-1998
法兰连接尺寸 GB/T17241.6-1998,IS0 7005-2或BSEN 1092-2002
结构长度 : GB/T1 2221-1989,lS0 5752-1988或BS EN558-1
压力试验:GB/T13927-1 99,JB/T9092-1999, lS0 5028-1993或BS 6755-l-1986
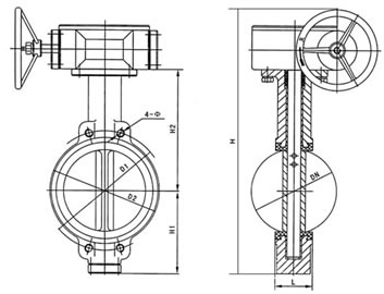
|
公称通径 |
结构长度 |
外形尺寸(参考值) |
连接尺寸(标准值) |
|||||||||
|
0.6MPa |
1.0 MPa |
1.6 MPa |
||||||||||
|
毫米 |
英寸 |
L |
H |
Ho |
A |
B |
D0 |
n-d |
D0 |
n-d |
D0 |
n-d |
|
50 |
2 |
43 |
63 |
306 |
180 |
200 |
110 |
4-14 |
125 |
4-18 |
125 |
4-18 |
|
65 |
21/2 |
46 |
70 |
321 |
180 |
200 |
130 |
4-14 |
146 |
4-18 |
145 |
4-18 |
|
80 |
3 |
46 |
83 |
346 |
180 |
200 |
150 |
4-18 |
160 |
8-18 |
160 |
8-18 |
|
100 |
4 |
52 |
105 |
387 |
180 |
200 |
170 |
4-18 |
180 |
8-18 |
180 |
8-18 |
|
125 |
5 |
56 |
115 |
411 |
180 |
200 |
200 |
8-18 |
210 |
8-18 |
210 |
8-18 |
|
150 |
6 |
56 |
137 |
447 |
270 |
280 |
225 |
8-18 |
240 |
8-22 |
240 |
8-22 |
|
200 |
8 |
60 |
164 |
572 |
270 |
280 |
280 |
8-18 |
295 |
8-22 |
295 |
12-22 |
|
250 |
10 |
68 |
206 |
646 |
270 |
280 |
335 |
12-18 |
350 |
12-22 |
355 |
12-26 |
|
300 |
12 |
78 |
230 |
738 |
380 |
420 |
395 |
12-22 |
400 |
12-22 |
410 |
12-26 |
|
350 |
14 |
78 |
248 |
761 |
380 |
420 |
415 |
12-22 |
460 |
16-22 |
470 |
16-26 |
|
400 |
16 |
102 |
289 |
877 |
450 |
470 |
495 |
16-22 |
515 |
16-26 |
525 |
16-30 |
|
450 |
18 |
114 |
320 |
938 |
480 |
490 |
550 |
16-22 |
565 |
20-26 |
585 |
20-30 |
|
500 |
20 |
127 |
343 |
993 |
480 |
490 |
600 |
20-22 |
620 |
20-26 |
650 |
20-33 |
|
600 |
24 |
154 |
413 |
1131 |
480 |
490 |
705 |
20-26 |
725 |
20-30 |
770 |
20-36 |
|
700 |
28 |
165 |
478 |
1476 |
640 |
660 |
810 |
24-26 |
840 |
24-30 |
840 |
24-36 |
|
800 |
32 |
190 |
525 |
1533 |
640 |
660 |
920 |
24-30 |
950 |
24-33 |
950 |
24-39 |
|
900 |
36 |
206 |
585 |
1655 |
750 |
860 |
1020 |
24-30 |
1050 |
28-33 |
1050 |
28-39 |
|
1000 |
40 |
216 |
640 |
1765 |
850 |
900 |
1120 |
28-30 |
1160 |
28-36 |
1170 |
28-42 |
|
1200 |
48 |
254 |
755 |
1995 |
850 |
900 |
1340 |
32-33 |
1380 |
32-39 |
1390 |
32-48 |
|
1400 |
56 |
279 |
910 |
2310 |
1000 |
925 |
1560 |
36-36 |
1590 |
36-42 |
1590 |
36-48 |
|
1600 |
64 |
318 |
1030 |
2595 |
1000 |
925 |
1760 |
40-36 |
1820 |
40-48 |
1820 |
40-56 |
|
1800 |
72 |
356 |
1140 |
2810 |
1100 |
980 |
1970 |
44-39 |
2020 |
44-48 |
2020 |
44-56 |
|
2000 |
80 |
406 |
1250 |
3100 |
1100 |
980 |
2180 |
48-42 |
2230 |
48-48 |
2230 |
48-62 |
注:若用户需用阀板衬橡胶等特殊要求,订货时请注明。